经纬智云。
查看详情
X
找货询价
所有产品
圆锥滚子轴承
圆柱滚子轴承
角接触球轴承
深沟球轴承
调心球轴承
调心滚子轴承
推力球轴承
推力滚子轴承
滚针轴承
展开更多
轴承知识
企业品牌
积分商城
联系我们
联系销售
登录
免费注册
首页
产品
宝塔Linux面板
宝塔windows面板
宝塔离线版
SSH终端
堡塔多机管理
堡塔APP
堡塔云监控
堡塔云WAF
RustDesk
宝塔云控
堡塔日志分析
618特惠活动
企业版
价格
正版查询
运维服务
SSL
论坛
下载安装
登录
免费注册
当前位置:
经纬智云供应链
/
轴承知识
/
轴承资料
/
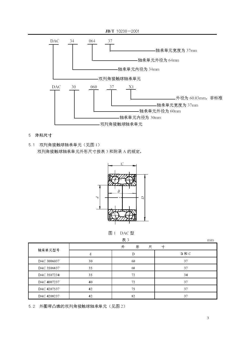
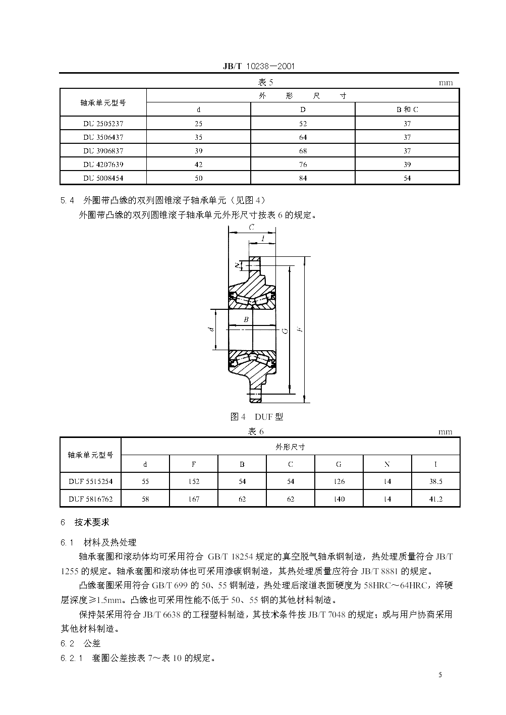
JB/T 10238-2001 汽车轮毂轴承单元
2021-03-18
来源:
华轴网
分类:
轴承资料
手机查看
分享
买轴承,上东明商城 网址:www.dmzcsale.com
JB/T
10238-2001
汽车轮毂轴承单元
上一篇
JB/T 10239-2001 滚动轴承 深沟球轴承卷边防尘盖技术
下一篇
电机固定端轴承和浮动端轴承的选择和匹配
相关推荐
JB/T 10239-2001 滚动轴承 深沟球轴承卷边防尘盖技术
轴承知识
润滑与维护
安装与拆卸
生产加工
轴承材料
轴承类型
轴承数据
轴承资料
轴承配套
联系销售
很高兴为您服务
尊敬的客户您好,欢迎您来到经纬智云供应链,成为我们的用户。
开始售前咨询
在线联系售前顾问,一对一解答
QQ咨询
微信咨询
售后服务
联系微信客服
致电:18992727719
请添加我的微信
为您提供1V1产品咨询,解决方案定制服务
企业微信
联系我们
售前电话
0917-3226969
技术服务
18992727719
找货询价
提出您的需求,为您提供定制化服务
请添加微信公众号
扫码登录,业务提醒
售后服务,优惠活动
关注公众号